Chercher
- Menu
-
COMPOSANTS
ÉLECTRONIQUESASSORTIMENTS DE COMPOSANTSCOMPOSANTS ACTIFS- Transistors
- Circuits logiques
- Circuits linéaires
- Diodes LED
- Diodes et ponts
COMPOSANTS PASSIFS- Résistances
- Condensateurs
- Potentiomètres
RELAIS- Relais Finder
- Relais haute puissance
- Relais standards
FUSIBLES ET DISJONCTEURSREFROIDISSEURSAIMANTS NÉODYMECONNECTIQUE- Connecteurs d'alimentation
- Connecteurs audio
- Connecteurs informatiques
- Connecteurs radio
- Connecteurs multicontacts
COFFRETS- Coffrets en plastique
- Coffrets pupitres
- Coffrets étanches en aluminium
- Coffrets racks 19 pouces
INTERRUPTEURS ET COMMUTATEURS- Boutons-poussoirs
- Inverseurs à levier et glissière
- Interrupteurs à bascule
- Inverseurs unipolaires 10A 240V
- Inverseurs bipolaires 10A 240V
- Micro switch
- Commutateurs rotatifs
- Interrupteurs à clé
- Joysticks
VOYANTS- Voyants 12 V
- Voyants 24 V
- Voyants 220 V
- Voyants de type industriel
- Lucioles, lampes et douilles E10
VENTILATEURS- Ventilateurs 5 VCC
- Ventilateurs 12 VCC
- Ventilateurs 24 VCC
- Ventilateurs 230 VCA
CÂBLES- Fils de câblage
- Câbles pour haut-parleurs
- Fils de bobinage
GAINESTUBES ÉLECTRONIQUESLE COIN DES AFFAIRES -
ÉCLAIRAGE
LEDRUBANS DE LED- Rubans LED éco 5 mètres
- Rubans LED revêtement PVC
- Kits LED 5m avec alimentations
- Rubans LED haute puissance
- Rubans LED 220V
- Rubans LED COB
- Alimentations LED
- Profilés en aluminium
- Variateurs et contrôleurs
- Accessoires pour montage
NÉONS FLEXIBLESAMPOULES LED- Ampoules à LED 12 V
- Ampoules à LED 230 V
- Ampoules à filaments LED
- Ampoules à LED connectées
PROJECTEURS LEDPLAFONNIERS LEDÉCLAIRAGE DE FÊTE ET D'AMBIANCEGUIRLANDES GUINGUETTEDALLES LED- Dalles LED 60 x 60 cm
- Dalles LED 30 x 120 cm
PRODUITS LED- Boites lumineuses à LED
- Driver de LED courant constant
- LED de puissance COB
-
AUDIO
VIDÉOHAUT-PARLEURS- HP marin encastrables
- Tweeters HIFI
- Tweeters piezo
- Bodyshakers
- Moteurs membranes et pavillons
- HP Woofer sono MHB
- HP avec blindage ROCKWOOD
- HP bass hifi de puissance KENFORD
- HP multi-usages ROCKWOOD
- HP guitare
- Minis HP
FILTRES ET COMPOSANTS AUDIOAMPLIS ET PRÉAMPLISSONO- Accessoires micro
- Enceintes compactes
CORDONS AUDIO- Cordons RCA
- Cordons jack 3.5mm stéréo
- Cordons jack 3.5mm stéréo/RCA
- Cordons jack / jack 6.35mm
- Cordons XLR / XLR
- Cordons numériques
- Cordons jack 6.35mm / RCA
CONNECTEURS NEUTRIKACCESSOIRES AUDIO- Fiches bananes audio
- Convertisseurs audio
- Commutateurs audio
DIAMANTS/COURROIES POUR PLATINE VINYLEMÉGAPHONESÉCOUTEURSCORDONS VIDÉO- Cordons HDMI
- Cordons VGA
- Cordons vidéo composite
- Cordons péritel
- Cordons d'antenne
APPLICATIONS VIDÉO- Convertisseurs vidéo
- Commutateurs et répartiteurs HDMI
MONITEURS LCDCAMÉRASALARMESÉLECTRONIQUE POUR GUITARE -
ÉNERGIE
ALIMENTATIONTRANSFORMATEURS- Transformateurs 220V/110V
- Transformateurs toriques
- Transformateurs moulés pour circuits imprimés
- Transformateurs châssis ouverts
ALIMENTATIONS- Alimentations montage rail DIN
- Alimentations à découpage usage industriel
- Modules à découpage miniature
- Alimentations de laboratoire
- Alimentations fixes pro
- Alimentations universelles
- Driver courant constant
ALIMENTATIONS USBCONVERTISSEURS 12 VDC / 230 VACÉNERGIE SOLAIRE- Petites cellules solaires
- Panneaux solaires
- Régulateurs solaires
BATTERIES, CHARGEURS ET ACCESSOIRES- Piles alcalines
- Piles au lithium
- Batteries au plomb
- Chargeurs de batteries plomb-acide de 6/12V
- Chargeurs d'accus NI-MH
ADAPTATEURS DE VOYAGECOUPLEURS DE PILES- Contacts à pression 9V (6LR61C)
- Coupleurs de piles AAA(LR03)
- Coupleurs de piles AA (LR6)
- Coupleurs de piles C (LR14)
- Coupleurs de piles D (LR20)
- Coupleurs de piles V23GA 12V
- Coupleurs de piles LITHIUM
CORDONS SECTEUR- Cordons IEC-320-C7
- Cordons IEC-320-C5
- Cordons IEC-320-C13
- Cordons IEC-320-C19
- Cordons OPEN
BLOCS MULTIPRISES ELECTRIQUES -
KITS, CARTES
ET MODULESARDUINO- Kits d'initiation ARDUINO
- Cartes officielles ARDUINO
- Cartes compatibles ARDUINO
- Capteurs compatibles ARDUINO
- Interfaces compatibles ARDUINO
- Shields compatibles ARDUINO
- Servomoteurs analogiques
- Composants ARDUINO
- Cartes additionnelles (Shields)
- Accessoires indispensables
- Robotique ARDUINO
- Wearable Technology Led
- Kits ARDUINO XXL de Noël
MICRO:BITRASPBERRY- Kits de développement
- Écrans
- Modules additionnels
- Coffrets
- Caméras
- Accessoires indispensables
MOTEURS- Moteurs en courant continu
- Moteurs pas à pas
- Motoréducteurs DC axe de 4mm
- Accessoires pour moteur axe de 4mm
- Moteurs 220 volts avec réducteurs
ROBOTIQUE- Robotique pour débutants
- Robotique pour confirmés
MINI KITSMODULES PRÉMONTÉSKITS ÉLECTRONIQUES- Alimentations et chargeurs
- Kits effets lumineux
- Timers et contrôleurs
- Commandes à distance
- Applications alarme et voiture
- Applications audio
- Applications ménagères
- Interfaces pour ordinateur
- Instruments de mesures
PUPITRES D'EXPÉRIENCES ÉLECTRONIQUES -
OUTILLAGE
MESUREFERS À SOUDER- Fers pour débutants
- Stations de soudage
- Fers professionnels
- Fers à gaz
- Stations de dessoudage
- Pannes de fer à souder
- Accessoires pour soudure
- Accessoires pour stations de dessoudage
OUTILLAGE-ACCESSOIRES- Antistatiques
- Serre-câbles
- Lampes loupes
- Étaux et accessoires
- Troisième main
- Coffrets de rangement
TOURNEVISPINCESCIRCUITS IMPRIMÉSPRODUITS DE MAINTENANCEMONTAGE, DÉCOUPE ET GRAVUREDÉCOLLETAGELAMPES ET BALADEUSESMICROSCOPES NUMÉRIQUESNETTOYEURS À ULTRASONSVALISES DE PROTECTION ÉTANCHESAPPAREILS DE MESURE- Mulitmètres numériques
- Pinces ampèremétriques
- Analyseurs de composants
- Oscilloscopes
- Décibelmètres et sonomètres
- Anémomètres
- Balances
- Testeurs de piles
- Thermomètres
- Hygromètres
- Humidimètres
- Pieds à coulisse
- Testeurs de câbles
- Luxmètres
- Testeurs de batterie voiture
-
TECHNOLOGIES
LOISIRSMAISON CONNECTÉEÉCLAIRAGE CONNECTÉCAMÉRAS CONNECTÉESDÉTECTEURS DE MÉTAUXADAPTATEURS DE VOYAGEACCESSOIRES INFORMATIQUE- Câbles de conversion USB
- Clés USB et cartes SD
- Cordons USB
- Chargeurs USB
- Cordons RJ45
JEUX DE LUMIÈRE- Lumière noire
- Boules à facettes
- Kits lumière disco
GADGETS ÉLECTRONIQUESIDÉES CADEAUX
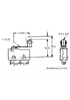
MICRORUPTEUR 5A - LEVIER AVEC ROULETTE
Microrupteur 5 A - levier avec roulette.
Paiement sécurisé
Sélection du transporteur et calcul final des frais de port durant la phase de validation commande.
Renseignement par mail & téléphone
- levier avec roulette
- résistance de contact initiale: max. 30mohm
- résistance d'isolement: min. 100Mohm à 500Vcc
- résistance diélectrique: 1000Vca pendant 1 minute
- durée de vie mécanique: min. 1000000 manoeuvres
- durée de vie électrique: min. 200000 manoeuvres
- valeurs: 5A / 125Vca, 3A / 250Vca
- dimensions: 10.2 x 19.8 x 6.4mm
MS5-R
Microrupteur 5 A - levier avec roulette.